ЯМАО Новый Уренгой
Набережная дом 43
+ 7 918 030 11 30. +7964 510 7087
aquapool66@mail.ru

Тех. поддержка +77026408142
aquapoolurfo@mail.ru
What sapp +77026408142
Skyap pogosyan1001

Ваш регион: Ямало-Ненецкий АО
Поиск товаров
Поиск по сайту
Каталог товаров

Система туманообразования и увлажнения воздуха

оборудования для фонтанов

Скульптурные фонтаны

Оборудование для фонтанов✓ и прудов✓

Оборудование для бассейнов ✓

Химия для бассейнов Маркопул ✓

Химия для бассейнов CTX

Химия для бассейнов hth ✓

СПА SPA БАССЕЙН ДЖАКУЗИ

Оборудование для бассейнов Dinotec

Оборудование для бассейнов ASTRAL

Сборно разборные бассейны Summer✓ и Azuro✓

Оборудование для Бассейнов ESPA

Дозирующие Оборудование SEKO

Дозирующие Оборудование ETATRON D S ✓

Оборудование озонирование воды и воздуха

Оборудование Бассейнов FIBERPOOL Glong и Pool King

Павильоны для бассейнов

Химия для бассейнов ASTRAL

Оборудование Общественных Спортивных Бассейнов ✓

Оборудование для Бассейнов Peraqua Hayward Pahlen Saci MTH Speck MMC Flexinox Tector CCEI Van Erp OSF Triogen Astore AllFit Xenozone Аквасектор

Водоподготовка. Баки для воды

Оборудование для бассейнов Маркопул

Оборудование для физиотерапии и реабилитации Гидротерапия

Химия для бассейнов bayrol

Композитные бассейны

Плёнка для Бассейна ✓ ПВХ

Оборудование для саун Helo

MAPEI КТТРОН Гидроизоляция и защиты бетонна, затирка и клей

Осушители воздуха DanVex

Оборудование для саун SAWO

Оборудование для саун TYLO

Оборудование для хамамов

Оборудование для Wellness и SPA центров

Хронометраж для спорта, судейские системы, таймеры, табло, видео-экраны.

Мозайка, плитка Бассейнов

Инфракрасные сауны

Оборудование для саун Harvia Харвия

Оборудование Для Саун и Бань

Осушители воздуха для бассейнов Dantherm

Освещение для бассейнов и саун

Аквапарки Оборудование Для Аквапарков

Новое

Крюк крепления разделительной дорожки Gemas AISI 304 (14650)

Крепление анкерное горизонтальное Gemas 42мм AISI 304 (14410)

Анкер крепления разделительной дорожки Gemas AISI 304 (плитка) (14611)

Анкер для стартовых тумб Gemas 14121 и 14122 (14430)

Чашки анкерного крепления для разделительной дорожки арт 40502

Стартовые тумбы “BCN 03” Арт.: 28761

Мачты для указателей фальстарта Арт.: 19950

Хлоратор полуавтомат Gemas CLT-167 ON Line 2кг ABS (без соед. муфт 7404050) (069CLT167B)

Электромагнитный насос-дозатор 15л/ч 2 бара Gemas (06MD1502)

Электромагнитный насос-дозатор 10л/ч 4 бара Gemas (06MD1004)

Электромагнитный насос-дозатор 5л/ч 9 бар Gemas (06MD0509)

Электромагнитный насос-дозатор 2л/ч 12 бар Gemas (06MD0212)

Хлоратор полуавтомат Gemas CLT-168 ON Line 4кг ABS (без соед. муфт 7404050) (069CLT168B)

Хлоратор полуавтомат Gemas CLT-168 OFF Line 4кг ABS (069CLT168A)

Насос-дозатор перистальтический 3л/ч 1 бар Gemas (06PD0301)

Насос-дозатор перистальтический 1,5л/ч 1 бар Gemas (06PD0302)

Хлоратор полуавтомат Gemas CLT-167 OFF Line 2кг ABS (069CLT167A)

Шланг гибкий кабельный Gemas L=1м (05051)

Трансформатор 300Вт Gemas IP65 (05074p)

Трансформатор 300Вт Gemas IP65 (05073)


все обновления

Для саун и бань

С помощью наших специалистов из широкого ассортиментного ряда продукции для саун и бань можно выбрать то оборудование, которая подойдет именно для вашей сауны и позволит наслаждаться теплом и комфортом в течение многих лет. Мы поставляем Оборудование для саун и бань от ведущих мировых производителей: Harvia, TYLO, Helo. Освещение для бассейнов и саун, ароматизаторы и аксессуары. Для городских условий: Инфракрасные сауны, Парогенераторы, компактные сауны.

 

Новый Уренгой, Салехард, Ноябрьск, Надым, Муравленко, Лабытнанги, Губкинский, Тарко-Сале, Пангоды. Аквапул Ямало-Ненецкий округ (ЯМАО) - + 7 918 030 11 30 . +7964 510 7087 Аквапул ГК

Фонтан Гриб д. 1,9м из нерж. стали Flexinox (87186070)

Фонтан Гриб д. 1,9м из нерж. стали  Flexinox (87186070)Материал: верх - полиэстер. Подсоединение: фланцевое

Производитель: не указан
Фонтан Гриб д. 1,9м из нерж. стали  Flexinox (87186070)

Фонтан Гриб д. 1,9м из нерж. стали Flexinox (87186070)

Материал: верх - полиэстер.
Подсоединение: фланцевое

Фонтан Водопад Гриб Flexinox

Модель

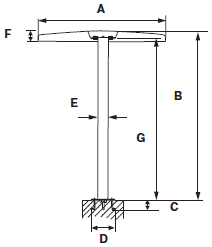
A

F

д.1,7 м

1700

160

д.1,9 м

1900

200


Модель

B

C

D

E

G

Колонна

2511

150

2 1/2”G

154

2410

Размер (мм)

Стоимость
6 232.00 €


Купить Фонтан Гриб д. 1,9м из нерж. стали Flexinox (87186070) Вы можете отправив товар в корзину 

А также Вы можете получить консультацию специалиста по вопросу подбора оборудования для бассейнов, фонтанов, саун+ 7 918 030 11 30 . +7964 510 7087

Новый Уренгой, Набережная дом  43 тел + 7 918 030 11 30 . +7964 510 7087 aquapool66@mail.ru

Режим работы с 10 00 до 18 00 сб. вс. выходной

Офис Астана ​Улица Каныш Сатпаев, 20

тел +7 702 640 8142, ​+7 701 952 0952 

pogosan100@yandex.ru aquapool-astana.kz   Проектирование Оборудование для фонтанов  https://fontankz.kz

 

Офис в Москве тел: + 7 918 030 11 30   www.poolaqua.ru  

Тех. поддержка

 +77026408142  aquapoolurfo@mail.ru    What sapp +77026408142     Skyap pogosyan1001

Наш сайт представляет Вам возможность сделать Заказ на расчет сметы для вашего бассейна фонтана и саун!

  Скачать Полны каталог продукций


Корзина

Корзина пуста

Расчет стоимости бассейна
Заказать расчет стоимости бассейна
Каталог производителей
AlkorplanAquamusiqueAstralPoolBayrolBehnckeBombas Saci CCEICTXCoraplaxDinotecMaytronics EspaEtatronFLAG S.p.A. FlexinoxFontanaHTHHarviaHaywardHeloIASOIMLInfradocKastorLovibondMTHOasePahlenPeraquaSafe-RainSawoSekoSerapoolTriogenTyloVan ErpАкватехникаАквасекторМАРКОПУЛ-КЕМИКЛС Bombas PSHDanVexПТК СпортHYGROMATIK НПО ЛИТDanVexFiberpoolKokidoXENOZONEOctopus medical equipmentEWAC MedicalJacuzzi ОВЕНWellis SpaSTEAMTECMUSTANGWATERMAN ГерманияHST Synthetics Ltd КанадаТМ ПАРОМАКСНОВОСИБИРСКИЙ КЕДРОВЫЙ ЗАВОДDАРИН Русская техника для бассейновALGE-TIMINGALFAsept antisepticPolien скульптурные фонтаныAquaviva  компании AQA CONSTRUCCIONES METALICAS TYBSA S.L.Aquapool-GroupGEMAS

все производители

Справочник организаций



Аквапарки
Башкортостан(Башкирия), Воронежская обл., Дагестан, Иркутская обл., Кемеровская обл., Краснодарский край, Курская обл., Москва и Московская обл., Новгородская обл., Новосибирская обл., Омская обл., Ростовская обл., Самарская обл., Санкт-Петербург и область, Саратовская обл., Свердловская обл., Ставропольский край, Татарстан, Томская обл., Хабаровский край, Челябинская обл.,
Бани
Алтайский край, Амурская обл., Башкортостан(Башкирия), Калининградская обл., Калужская обл., Кемеровская обл., Кировская обл., Красноярский край, Курганская обл., Москва и Московская обл., Новосибирская обл., Пермская обл., Приморский край, Свердловская обл., Татарстан, Томская обл., Тюменская обл., Удмуртия, Хабаровский край, Челябинская обл.,
Бассейны
Алтайский край, Башкортостан(Башкирия), Кабардино-Балкария, Кемеровская обл., Краснодарский край, Красноярский край, Курганская обл., Москва и Московская обл., Новосибирская обл., Пермская обл., Приморский край, Санкт-Петербург и область, Северная Осетия, Ставропольский край, Томская обл., Тюменская обл., Удмуртия, Хабаровский край, Челябинская обл.,
Гостиницы
Алтайский край, Кемеровская обл., Красноярский край, Курганская обл., Пермская обл., Свердловская обл., Татарстан, Тюменская обл., Челябинская обл.,
Спортивные комплексы
Курганская обл., Свердловская обл., Тюменская обл.,

Выберите Ваш регион