ЯМАО Новый Уренгой
Тех. поддержка
+77026408142
Набережная дом 43
+ 7 918 030 11 30. +7964 510 7087
aquapool66@mail.ru
aquapoolurfo@mail.ru
What sapp +77026408142
Skyap pogosyan1001
Система туманообразования и увлажнения воздуха
Оборудование для фонтанов✓ и прудов✓
Химия для бассейнов Маркопул ✓
Оборудование для бассейнов Dinotec
Оборудование для бассейнов ASTRAL
Сборно разборные бассейны Summer✓ и Azuro✓
Оборудование для Бассейнов ESPA
Дозирующие Оборудование ETATRON D S ✓
Оборудование озонирование воды и воздуха
Оборудование Бассейнов FIBERPOOL Glong и Pool King
Оборудование Общественных Спортивных Бассейнов ✓
Оборудование для бассейнов Маркопул
Оборудование для физиотерапии и реабилитации Гидротерапия
MAPEI КТТРОН Гидроизоляция и защиты бетонна, затирка и клей
Оборудование для Wellness и SPA центров
Хронометраж для спорта, судейские системы, таймеры, табло, видео-экраны.
Оборудование для саун Harvia Харвия
Осушители воздуха для бассейнов Dantherm
Анкер для стартовых тумб Gemas 14121 и 14122 (14430)
Чашки анкерного крепления для разделительной дорожки арт 40502
Стартовые тумбы “BCN 03” Арт.: 28761
Мачты для указателей фальстарта Арт.: 19950
Хлоратор полуавтомат Gemas CLT-167 ON Line 2кг ABS (без соед. муфт 7404050) (069CLT167B)
Электромагнитный насос-дозатор 15л/ч 2 бара Gemas (06MD1502)
Электромагнитный насос-дозатор 10л/ч 4 бара Gemas (06MD1004)
Электромагнитный насос-дозатор 5л/ч 9 бар Gemas (06MD0509)
Электромагнитный насос-дозатор 2л/ч 12 бар Gemas (06MD0212)
Хлоратор полуавтомат Gemas CLT-168 ON Line 4кг ABS (без соед. муфт 7404050) (069CLT168B)
Хлоратор полуавтомат Gemas CLT-168 OFF Line 4кг ABS (069CLT168A)
Насос-дозатор перистальтический 3л/ч 1 бар Gemas (06PD0301)
Насос-дозатор перистальтический 1,5л/ч 1 бар Gemas (06PD0302)
Хлоратор полуавтомат Gemas CLT-167 OFF Line 2кг ABS (069CLT167A)
Шланг гибкий кабельный Gemas L=1м (05051)
Трансформатор 300Вт Gemas IP65 (05074p)
Трансформатор 300Вт Gemas IP65 (05073)
Трансформатор 300Вт Gemas IP20 (05074)
Трансформатор 2х300Вт = 600Вт Gemas IP65 (05063)
Трансформатор 100Вт Gemas IP65 (05067)
С помощью наших специалистов из широкого ассортиментного ряда продукции для саун и бань можно выбрать то оборудование, которая подойдет именно для вашей сауны и позволит наслаждаться теплом и комфортом в течение многих лет. Мы поставляем Оборудование для саун и бань от ведущих мировых производителей: Harvia, TYLO, Helo. Освещение для бассейнов и саун, ароматизаторы и аксессуары. Для городских условий: Инфракрасные сауны, Парогенераторы, компактные сауны.
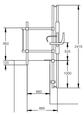
Сталь AISI 304
Полностью регулируемая конструкция
Кресло поворачивается на 90°
Максимальная грузоподъемность 125 кг

В 1999 году одно из подразделений Filinox, S.A. было преобразовано в самостоятельную компанию Flexinox, S.A (Испания). Основными направлениями деятельности Flexinox являются производство изделий из нержавеющей стали для бассейнов и для тяжелой индустрии. Ассортимент оборудования, производимого для бассейнов, включает лестницы, поручни, ролики для сматывающих устройств, теплообменники, души и водные аттракционы.
Купить Лифт гидравлический для людей с ограниченными возможностями, нержавеющая сталь, 1004415 FLEXINOX Вы можете отправив товар в корзину
Новый Уренгой, Набережная дом 43 тел + 7 918 030 11 30 . +7964 510 7087 aquapool66@mail.ru
Режим работы с 10 00 до 18 00 сб. вс. выходной
Офис Астана Улица Каныш Сатпаев, 20
тел +7 702 640 8142, +7 701 952 0952
pogosan100@yandex.ru aquapool-astana.kz Проектирование Оборудование для фонтанов https://fontankz.kz
Офис в Москве тел: + 7 918 030 11 30 www.poolaqua.ru
Тех. поддержка
Наш сайт представляет Вам возможность сделать Заказ на расчет сметы для вашего бассейна фонтана и саун!
Скачать Полны каталог продукций
Оборудование для бассейнов | Сборные бассейны Azuro | Оборудование для Саун | Harvia | Astral | Оборудование забора и подачи воды | Сборно-оазборные бассейны Astral | ESPA | Насосы Hayward | Насосы Speck | Оборудование для освещения | Водпады и водяные пушки | Противотоки |Пылесосы | Аэромассаж | Химия hth | Дозирующее оборудование Etatron | Hayward | CTX | helo | Аква-Аэробика | Скиммер | Фильтр | Плёнка для Бассейна ПВХ | Оборудование для саун и бань
Корзина пуста