ЯМАО Новый Уренгой
Тех. поддержка
+77026408142
Набережная дом 43
+ 7 918 030 11 30. +7964 510 7087
aquapool66@mail.ru
aquapoolurfo@mail.ru
What sapp +77026408142
Skyap pogosyan1001
Система туманообразования и увлажнения воздуха
Оборудование для фонтанов✓ и прудов✓
Химия для бассейнов Маркопул ✓
Оборудование для бассейнов Dinotec
Оборудование для бассейнов ASTRAL
Сборно разборные бассейны Summer✓ и Azuro✓
Оборудование для Бассейнов ESPA
Дозирующие Оборудование ETATRON D S ✓
Оборудование озонирование воды и воздуха
Оборудование Бассейнов FIBERPOOL Glong и Pool King
Оборудование Общественных Спортивных Бассейнов ✓
Оборудование для бассейнов Маркопул
Оборудование для физиотерапии и реабилитации Гидротерапия
MAPEI КТТРОН Гидроизоляция и защиты бетонна, затирка и клей
Оборудование для Wellness и SPA центров
Хронометраж для спорта, судейские системы, таймеры, табло, видео-экраны.
Оборудование для саун Harvia Харвия
Осушители воздуха для бассейнов Dantherm
Хлоратор полуавтомат Gemas CLT-167 ON Line 2кг ABS (без соед. муфт 7404050) (069CLT167B)
Электромагнитный насос-дозатор 15л/ч 2 бара Gemas (06MD1502)
Электромагнитный насос-дозатор 10л/ч 4 бара Gemas (06MD1004)
Электромагнитный насос-дозатор 5л/ч 9 бар Gemas (06MD0509)
Электромагнитный насос-дозатор 2л/ч 12 бар Gemas (06MD0212)
Хлоратор полуавтомат Gemas CLT-168 ON Line 4кг ABS (без соед. муфт 7404050) (069CLT168B)
Хлоратор полуавтомат Gemas CLT-168 OFF Line 4кг ABS (069CLT168A)
Насос-дозатор перистальтический 3л/ч 1 бар Gemas (06PD0301)
Насос-дозатор перистальтический 1,5л/ч 1 бар Gemas (06PD0302)
Хлоратор полуавтомат Gemas CLT-167 OFF Line 2кг ABS (069CLT167A)
Шланг гибкий кабельный Gemas L=1м (05051)
Трансформатор 300Вт Gemas IP65 (05074p)
Трансформатор 300Вт Gemas IP65 (05073)
Трансформатор 300Вт Gemas IP20 (05074)
Трансформатор 2х300Вт = 600Вт Gemas IP65 (05063)
Трансформатор 100Вт Gemas IP65 (05067)
Прожектор светодиодный 50Вт Gemas SlimLED-INOX Daylight 252мм 12В оправа н/с (универсал) (052141SS)
Прожектор светодиодный 50Вт Gemas SlimLED Daylight 278мм 12В оправа пластик (универсал) (052141)
Прожектор светодиодный 36Вт Gemas SlimLED-INOX RGB+White 252мм 12В оправа н/с (универсал) (052153SS)
Прожектор светодиодный 36Вт Gemas SlimLED RGB+White 278мм 12В оправа пластик (универсал) (052150)
С помощью наших специалистов из широкого ассортиментного ряда продукции для саун и бань можно выбрать то оборудование, которая подойдет именно для вашей сауны и позволит наслаждаться теплом и комфортом в течение многих лет. Мы поставляем Оборудование для саун и бань от ведущих мировых производителей: Harvia, TYLO, Helo. Освещение для бассейнов и саун, ароматизаторы и аксессуары. Для городских условий: Инфракрасные сауны, Парогенераторы, компактные сауны.
Горизонтальные центробежные насосы смонтированные на станине серии XNF4 32-125/02A 230/400, Арт.140291
Насос ХN центробежный электронасос из нержавеющей стали AISI 316 с осевым всасывающим и радиальным напорным патрубками
СЕКТОРЫ РЫНКА
ЖИЛИЩНО-КОММУНАЛЬНОE СТРОИТЕЛЬСТВО, СЕЛЬСКОЕ ХОЗЯЙСТВО, ПРОМЫШЛЕННОСТЬ.
ПРИМЕНЕНИЕ
диапазон гидравлических характеристик XN 2900 об/мин и 1450об/мин.

ХАРАКТЕРИСТИКИ
НАСОС
ДИАПАЗОН ПРИМЕНЕНИЯ
ЭЛЕКТРОДВИГАТЕЛЬ
Стандартно поставляются двигатели ESPA:
Двигатели больших мощностей выпускают другие производители.
Двигатели ESPA для наружного использования имеют значения КПД , которые относятся ко 2 классу энергоэффективности.
КОНСТРУКЦИЯ
СОЕДИНЕНИЕ ДВИГАТЕЛЯ И НАСОСА
Возможные исполнения: насос со свободным валом и муфта с проставком.
ПРИНАДЛЕЖНОСТИ ПО ЗАПРОСУ
ДОПОЛНИТЕЛЬНЫЕ ВОЗМОЖНОСТИ
ЭЛЕКТРОДВИГАТЕЛИ
Двигатель с короткозамкнутым ротором типа "беличье колесо" в алюминиевом корпусе закрытой конструкции с внешней
вентиляцией. Двигатели Espa в стандартном исполнении 4-х полюсные до 7.5 кВт (включительно), и 2-х полюсные
до 22 кВт (включительно). Двигатели больших мощностей выпускают другие производители.
Двигатели Espa для наружного использования по значениям КПД относятся ко 2 классу энергоэффективности.
Охлаждение обеспечивается вентилятором в соответствии с EN 60034-6.
В двигателях до типоразмеров IM 100 включительно клеммная коробка выполнена из технополимера ABS,
для больших типоразмеров из сплава алюминия.
Для двигателей типа SM кабельные вводы имеют стандартные размеры сечения в соответствии
с EN 50262 (метрическая резьба), а для двигателей LM в соответствии с DIN 46255 (резьба PG).
Класс защиты в стандартном исполнении IP55, класс изоляции F.
Стандартные напряжения:
СЕРИЯ ХN4-ХNS4-ХNF4
ТАБЛИЦА ГИДРАВЛИЧЕСКИХ ХАРАКТЕРИСТИК, 4-Х ПОЛЮСНЫЕ ДВИГАТЕЛИ, 50 ГЦ
ТИП |
P2 |
P2 |
l/min |
0 |
75 |
100 |
125 |
150 |
200 |
250 |
32 125/02A* |
0.25 |
0.33 |
|
4.4 |
|
4 |
3.1 |
2.7 |
1.6 |
|
32 125/02* |
0.25 |
0.33 |
|
5.5 |
|
4.7 |
4.3 |
3.8 |
2.7 |
|
32 160/02* |
0.25 |
0.33 |
|
6.9 |
|
5.4 |
4.9 |
4.4 |
2.9 |
|
32 160/03* |
0.37 |
0.5 |
|
8.6 |
|
7.4 |
6.9 |
6.4 |
5.2 |
3.6 |
32 200/03* |
0.37 |
0.5 |
|
10.8 |
|
8.7 |
7.9 |
7 |
5.1 |
|
32 200/05* |
0.55 |
0.75 |
|
13.2 |
|
11.3 |
10.6 |
9.8 |
7.8 |
5.4 |
32 250/07 |
0.75 |
1 |
|
14.5 |
|
12.3 |
11.6 |
10.8 |
8.9 |
6.5 |
32 250/11 |
1.1 |
1.5 |
|
18.4 |
|
16.1 |
15.3 |
14.4 |
12.5 |
10.1 |
32 250/15 |
1.5 |
2 |
|
21.3 |
|
19 |
18.2 |
17.5 |
15.2 |
12.8 |
* Hе существует версии XNS4
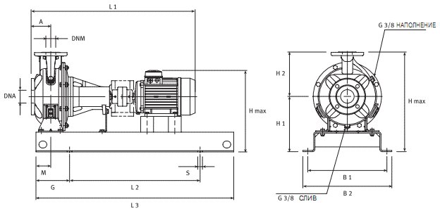
СЕРИЯ ХNF4 СМОНТИРОВАННАЯ НА СТАНИНЕ РАЗМЕРЫ И ВЕС

СЕРИЯ XNF4 СМОНТИРОВАННАЯ НА СТАНИНЕ РАЗМЕРЫ И ВЕС
ТИП |
РАЗМЕРЫ (мм) |
s
ПОД |
ВЕС |
ВИД |
||||||||||||
DNM |
DNA |
A |
В1 |
В2 |
L1 |
L2 |
L3 |
G |
M |
Н1 |
Н2 |
H max |
||||
XNF4 32 125/02А |
32 |
50 |
80 |
400 |
450 |
702 |
565 |
805 |
120 |
60 |
202 |
140 |
342 |
М10 |
11 |
А1 |
XNF4 32 125/02 |
32 |
50 |
80 |
400 |
450 |
702 |
565 |
805 |
120 |
60 |
202 |
140 |
342 |
М10 |
11 |
А1 |
XNF4 32 160/02 |
32 |
50 |
80 |
400 |
450 |
702 |
565 |
805 |
120 |
60 |
222 |
160 |
382 |
М10 |
74 |
А1 |
XNF4 32 160/03 |
32 |
50 |
80 |
400 |
450 |
702 |
565 |
805 |
120 |
60 |
222 |
160 |
382 |
М10 |
74 |
А1 |
XNF4 32 200/03 |
32 |
50 |
80 |
400 |
450 |
702 |
565 |
805 |
120 |
60 |
250 |
180 |
430 |
М10 |
78 |
А1 |
XNF4 32 200/05 |
32 |
50 |
80 |
400 |
450 |
744 |
565 |
805 |
120 |
60 |
250 |
180 |
430 |
М10 |
80 |
А2 |
XNF4 32 250/07 |
32 |
50 |
100 |
400 |
450 |
764 |
565 |
805 |
120 |
75 |
270 |
225 |
495 |
М10 |
91 |
А2 |
XNF4 32 250/11 |
32 |
50 |
100 |
400 |
450 |
793 |
565 |
805 |
120 |
75 |
270 |
225 |
495 |
М10 |
100 |
A3 |
XNF4 32 250/15 |
32 |
50 |
100 |
400 |
450 |
793 |
565 |
805 |
120 |
75 |
270 |
225 |
495 |
М10 |
102 |
A3 |

Компания ESPA GROUP ? Bombas Electricas, S.A. является одной из ведущих в мире по производству насосов, в разработке и изготовлении которых используются самые последние достижения науки и техники. Компания была основана в 1962 году, головной офис расположен в г.Баньолис (Испания). Продукция ESPA GROUP широко представлена на международном рынке и экспортируется более чем в 130 стран мира.
Купить Горизонтальные центробежные насосы смонтированные на станине серии XNF4 32-125/02A 230/400, Арт.140291 Вы можете отправив товар в корзину
Новый Уренгой, Набережная дом 43 тел + 7 918 030 11 30 . +7964 510 7087 aquapool66@mail.ru
Режим работы с 10 00 до 18 00 сб. вс. выходной
Офис Астана Улица Каныш Сатпаев, 20
тел +7 702 640 8142, +7 701 952 0952
pogosan100@yandex.ru aquapool-astana.kz Проектирование Оборудование для фонтанов https://fontankz.kz
Офис в Москве тел: + 7 918 030 11 30 www.poolaqua.ru
Тех. поддержка
Наш сайт представляет Вам возможность сделать Заказ на расчет сметы для вашего бассейна фонтана и саун!
Скачать Полны каталог продукций
Оборудование для бассейнов | Сборные бассейны Azuro | Оборудование для Саун | Harvia | Astral | Оборудование забора и подачи воды | Сборно-оазборные бассейны Astral | ESPA | Насосы Hayward | Насосы Speck | Оборудование для освещения | Водпады и водяные пушки | Противотоки |Пылесосы | Аэромассаж | Химия hth | Дозирующее оборудование Etatron | Hayward | CTX | helo | Аква-Аэробика | Скиммер | Фильтр | Плёнка для Бассейна ПВХ | Оборудование для саун и бань
Корзина пуста