ЯМАО Новый Уренгой
Тех. поддержка
+77026408142
Набережная дом 43
+ 7 918 030 11 30. +7964 510 7087
aquapool66@mail.ru
aquapoolurfo@mail.ru
What sapp +77026408142
Skyap pogosyan1001
Система туманообразования и увлажнения воздуха
Оборудование для фонтанов✓ и прудов✓
Химия для бассейнов Маркопул ✓
Оборудование для бассейнов Dinotec
Оборудование для бассейнов ASTRAL
Сборно разборные бассейны Summer✓ и Azuro✓
Оборудование для Бассейнов ESPA
Дозирующие Оборудование ETATRON D S ✓
Оборудование озонирование воды и воздуха
Оборудование Бассейнов FIBERPOOL Glong и Pool King
Оборудование Общественных Спортивных Бассейнов ✓
Оборудование для бассейнов Маркопул
Оборудование для физиотерапии и реабилитации Гидротерапия
MAPEI КТТРОН Гидроизоляция и защиты бетонна, затирка и клей
Оборудование для Wellness и SPA центров
Хронометраж для спорта, судейские системы, таймеры, табло, видео-экраны.
Оборудование для саун Harvia Харвия
Осушители воздуха для бассейнов Dantherm
Хлоратор полуавтомат Gemas CLT-167 ON Line 2кг ABS (без соед. муфт 7404050) (069CLT167B)
Электромагнитный насос-дозатор 15л/ч 2 бара Gemas (06MD1502)
Электромагнитный насос-дозатор 10л/ч 4 бара Gemas (06MD1004)
Электромагнитный насос-дозатор 5л/ч 9 бар Gemas (06MD0509)
Электромагнитный насос-дозатор 2л/ч 12 бар Gemas (06MD0212)
Хлоратор полуавтомат Gemas CLT-168 ON Line 4кг ABS (без соед. муфт 7404050) (069CLT168B)
Хлоратор полуавтомат Gemas CLT-168 OFF Line 4кг ABS (069CLT168A)
Насос-дозатор перистальтический 3л/ч 1 бар Gemas (06PD0301)
Насос-дозатор перистальтический 1,5л/ч 1 бар Gemas (06PD0302)
Хлоратор полуавтомат Gemas CLT-167 OFF Line 2кг ABS (069CLT167A)
Шланг гибкий кабельный Gemas L=1м (05051)
Трансформатор 300Вт Gemas IP65 (05074p)
Трансформатор 300Вт Gemas IP65 (05073)
Трансформатор 300Вт Gemas IP20 (05074)
Трансформатор 2х300Вт = 600Вт Gemas IP65 (05063)
Трансформатор 100Вт Gemas IP65 (05067)
Прожектор светодиодный 50Вт Gemas SlimLED-INOX Daylight 252мм 12В оправа н/с (универсал) (052141SS)
Прожектор светодиодный 50Вт Gemas SlimLED Daylight 278мм 12В оправа пластик (универсал) (052141)
Прожектор светодиодный 36Вт Gemas SlimLED-INOX RGB+White 252мм 12В оправа н/с (универсал) (052153SS)
Прожектор светодиодный 36Вт Gemas SlimLED RGB+White 278мм 12В оправа пластик (универсал) (052150)
С помощью наших специалистов из широкого ассортиментного ряда продукции для саун и бань можно выбрать то оборудование, которая подойдет именно для вашей сауны и позволит наслаждаться теплом и комфортом в течение многих лет. Мы поставляем Оборудование для саун и бань от ведущих мировых производителей: Harvia, TYLO, Helo. Освещение для бассейнов и саун, ароматизаторы и аксессуары. Для городских условий: Инфракрасные сауны, Парогенераторы, компактные сауны.
Горизонтальные центробежные насосы серии XNS 40-200/75 400/690, Арт.140360
Насос ХN центробежный электронасос из нержавеющей стали AISI 316 с осевым всасывающим и радиальным напорным патрубками
СЕКТОРЫ РЫНКА
ЖИЛИЩНО-КОММУНАЛЬНОE СТРОИТЕЛЬСТВО, СЕЛЬСКОЕ ХОЗЯЙСТВО, ПРОМЫШЛЕННОСТЬ.
ПРИМЕНЕНИЕ
диапазон гидравлических характеристик XN 2900 об/мин и 1450об/мин.

ХАРАКТЕРИСТИКИ
НАСОС
ДИАПАЗОН ПРИМЕНЕНИЯ
ЭЛЕКТРОДВИГАТЕЛЬ
Стандартно поставляются двигатели ESPA:
Двигатели больших мощностей выпускают другие производители.
Двигатели ESPA для наружного использования имеют значения КПД , которые относятся ко 2 классу энергоэффективности.
КОНСТРУКЦИЯ
СОЕДИНЕНИЕ ДВИГАТЕЛЯ И НАСОСА
Возможные исполнения: насос со свободным валом и муфта с проставком.
ПРИНАДЛЕЖНОСТИ ПО ЗАПРОСУ
ДОПОЛНИТЕЛЬНЫЕ ВОЗМОЖНОСТИ
СЕРИЯ ХNS-ХNS4 ПЕРЕЧЕНЬ МОДЕЛЕЙ И ТАБЛИЦА МАТЕРИАЛОВ

2-Х ПОЛЮСНЫЕ | ||
XNS32 125/07 | XNS40 125/11 | XNS50 125/30 |
XNS32 125/11 | XNS40 125/15 | XNS50 125/40 |
XNS32 160/15 | XNS40 125/22 | XNS50 160/55 |
XNS32 160/22 | XNS40 160/30 | XNS50 160/75 |
XNS32 200/30 | XNS40 160/40 | XNS65 160/40 |
XNS32 200/40 | XNS40 200/55 | XNS65 160/55 |
XNS32 250/55 | XNS40 200/75 | XNS65 160/75 |
№ | ДЕТАЛЬ | МАТЕРИАЛ | ССЫЛКИ НА СТАНДАРТЫ | |
ЕВРОПА | США | |||
1 | Корпус насоса | Нержавеющая сталь | EN 10088-1 -X2CrNiMo17-12-2 (1.4404 ) | AISI 316L |
2 | Рабочее колесо | Нержавеющая сталь | EN 10088-1 -X2CrNiMo17-12-2 (1.4404 ) | AISI 316L |
3 | Посадочное место для | Нержавеющая сталь | EN 10088-1 -X2CrNiMo17-12-2 (1.4404 ) | AISI 316L |
4 | Механизм компенсации | Нержавеющая сталь | EN 10088-1 -X2CrNiMo17-12-2 (1.4404 ) | AISI 316L |
5 | Контрупорное кольцо | Нержавеющая сталь | EN 10088-1 -X2CrNiMo17-12-2 (1.4404 ) | AISI 316L |
7 | Глухая муфта вала | Нержавеющая сталь | EN 10088-1 -X5CrNiMo17-12-2 (1.4401 ) | AN 316 |
8 | Шайба и фиксирующая | Нержавеющая сталь | EN 10088-1 -X5CrNiMo17-12-2 (1.4401 ) | AN 316 |
9 | Шпонка | Нержавеющая сталь | EN 10088-1 -X2CrNiMo17-12-2 (1.4404 ) | AISI 316L |
10 | Заглушки заливочного/ | Нержавеющая сталь | EN 10088-1 -X5CrNiMo17-12-2 (1.4401 ) | AN 316 |
11 | Торцевое уплотнение | Керамика / Углерод/ Витон (стандартное исполнение) | ||
12 | Эластомеры | Витон (стандартное исполнение) | ||
13 | Адаптер* | Алюминий | EN 1706-A C-AlSi11Cu2 ( Fe) (AC46100) | - |
14 | Соединительный | Чугун | EN 1561-GJ L-200 (JL1030) | ASTM Класс 25 |
15 | Гайки и болты, которые | Гальванизированная сталь | ||
* Для 25/32/40-125 2/4-полюсных версий, для 25/32/40-160 2/4-полюсных версий, для 25/32/40-200 2/4-полюсных версий.
![]() |
2-Х ПОЛЮСНЫЕ | |
XNS32 250/110 | XNS65 200/150 | |
№ | ДЕТАЛЬ | МАТЕРИАЛ | ССЫЛКИ НА СТАНДАРТЫ | |
ЕВРОПА | США | |||
1 | Корпус насоса | Нержавеющая сталь | EN 10088-1 -X2CrNiMo17-12-2 (1.4404 ) | AISI 316L |
2 | Рабочее колесо | Нержавеющая сталь | EN 10088-1 -X2CrNiMo17-12-2 (1.4404 ) | AISI 316L |
3 | Посадочное место для | Нержавеющая сталь | EN 10088-1 -X2CrNiMo17-12-2 (1.4404 ) | AISI 316L |
4 | Механизм компенсации | Нержавеющая сталь | EN 10088-1 -X2CrNiMo17-12-2 (1.4404 ) | AISI 316L |
5 | Контрупорное кольцо | Нержавеющая сталь | EN 10088-1 -X2CrNiMo17-12-2 (1.4404 ) | AISI 316L |
7 | Глухая муфта вала | Нержавеющая сталь | EN 10088-1 -X5CrNiMo17-12-2 (1.4401 ) | AISI 316 |
8 | Шайба и фиксирующая | Нержавеющая сталь | EN 10088-1 -X5CrNiMo17-12-2 (1.4401 ) | AISI 316 |
9 | Шпонка | Нержавеющая сталь | EN 10088-1 -X2CrNiMo17-12-2 (1.4404 ) | AISI 316L |
10 | Заглушки заливочного/ | Нержавеющая сталь | EN 10088-1 -X5CrNiMo17-12-2 (1.4401 ) | AISI 316 |
11 | Торцевое уплотнение | Керамика / Углерод/ Витон (стандартное исполнение) | ||
12 | Эластомеры | Витон (стандартное исполнение) | ||
13 | Адаптер* | Алюминий | EN 1706-A C-AlSi11Cu2 ( Fe) (AC46100) | - |
14 | Соединительный | Чугун | EN 1561-GJ L-200 (JL1030) | ASTM Класс 25 |
15 | Гайки и болты, которые | Гальванизированная сталь | ||
* Для 25/32/40-125 2/4-полюсных версий, для 25/32/40-160 2/4-полюсных версий, для 25/32/40-200 2/4-полюсных версий.
ЭЛЕКТРОДВИГАТЕЛИ
Двигатель с короткозамкнутым ротором типа "беличье колесо" в алюминиевом корпусе закрытой конструкции с внешней вентиляцией. Двигатели Espa в стандартном исполнении 4-х полюсные до 7.5 кВт (включительно), и 2-х полюсные до 22 кВт (включительно). Двигатели больших мощностей выпускают другие производители.
Двигатели Espa для наружного использования по значениям КПД относятся ко 2 классу энергоэффективности.
Охлаждение обеспечивается вентилятором в соответствии с EN 60034-6.
В двигателях до типоразмеров IM 100 включительно клеммная коробка выполнена из технополимера ABS, для больших типоразмеров из сплава алюминия.
Для двигателей типа SM кабельные вводы имеют стандартные размеры сечения в соответствии с EN 50262 (метрическая резьба), а для двигателей LM в соответствии с DIN 46255 (резьба PG).
Класс защиты в стандартном исполнении IP55, класс изоляции F.
Стандартные напряжения:
СЕРИЯ XN-XNS-XNF
ТАБЛИЦА ГИДРАВЛИЧЕСКИХ ХАРАКТЕРИСТИК, 2-Х ПОЛЮСНЫЕ ДВИГАТЕЛИ, 50 ГЦ
ТИП | P2 | P2 | l/min | 0 | 300 | 400 | 450 | 600 | 700 | 800 |
40 125/11* | 1.1 | 1.5 |
| 14.4 | 12.5 | 10.9 | 10 | 7 |
|
|
40 125/15* | 1.5 | 2 |
| 17.5 | 16 | 14.4 | 13.4 | 10.2 | 8 |
|
40 125/22* | 2.2 | 3 |
| 25.3 | 22.2 | 20.4 | 19.5 | 15.9 | 13.2 |
|
40 160/30 | 3 | 4 |
| 32.2 | 29.5 | 26.9 | 25.4 | 20.8 | 17 |
|
40 160/40 | 4 | 5.5 |
| 38 | 35.5 | 33.2 | 31.7 | 26.7 | 22.8 | 18.5 |
40 200/55 | 5.5 | 7.5 |
| 49.1 | 46.4 | 43.8 | 42 | 36.2 | 31 | 25 |
40 200/75 | 7.5 | 10 |
| 58.2 | 55.1 | 52.3 | 50.8 | 45 | 40 | 34.5 |
40 250/** | ** | ** |
| 64.9 | 62 | 59.5 | 58 | 51.5 | 44.6 |
|
40 250/110 | 11 | 15 |
| 74.7 | 71.4 | 69 | 67.8 | 61.5 | 55.2 |
|
40 250/150 | 15 | 20 |
| 87.7 | 84.2 | 81.5 | 80 | 74.3 | 69.2 | 62.5 |
* Также существуют однофазные исполнения (XNM)
** /92 = 9.2 кВт XN ** /110 = 11 кВт XNS
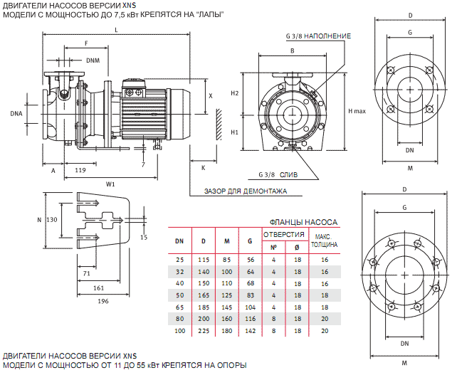
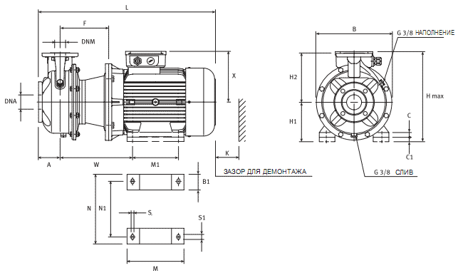
СЕРИЯ ХNS РАЗМЕРЫ И ВЕС


ТИП | РАЗМЕРЫ (мм) | В | H | L | К | ВЕС | |||||||||||||||||
НАСОС | ПОДСТАВКА | ||||||||||||||||||||||
DNM | DNA | A | F | Н2 | W | W1 | X | B | C | С1 | H1 | M | M1 | N | N1 | N | N1 | ||||||
XNS40 125/11 | 40 | 65 | 80 | 155 | 140 |
|
| 137 |
|
|
| 112 |
|
| 190 |
|
|
| 218 | 252 | 485 | 100 | 23.7 |
XNS40 125/15 | 40 | 65 | 80 | 155 | 140 |
|
| 181 |
|
|
| 112 |
|
| 190 |
|
|
| 218 | 252 | 495 | 100 | 20 |
XNS40 125/22 | 40 | 65 | 80 | 155 | 140 |
|
| 181 |
|
|
| 112 |
|
| 190 |
|
|
| 218 | 252 | 550 | 100 | 25 |
XNS40 160/30 | 40 | 65 | 80 | 165 | 160 |
|
| 152 |
|
|
| 132 |
|
| 210 |
|
|
| 253 | 292 | 571 | 100 | 38.3 |
XNS40 160/40 | 40 | 65 | 80 | 165 | 160 |
|
| 180 |
|
|
| 132 |
|
| 210 |
|
|
| 253 | 292 | 580 | 100 | 31.7 |
XNS40 200/55 | 40 | 65 | 100 | 192 | 180 |
| 424 | 193 |
|
|
| 160 |
|
| 230 |
|
|
| 300 | 340 | 648 | 100 | 52.5 |
XNS40 200/75 | 40 | 65 | 100 | 192 | 180 |
| 424 | 193 |
|
|
| 160 |
|
| 230 |
|
|
| 300 | 340 | 712 | 100 | 57 |
XNS40 250/110А | 40 | 65 | 100 | 222 | 225 | 330 |
| 230 | 11 | 22 | 20 | 180 | 260 | 210 | 318 | 254 | 14 | 23 | 350 | 424 | 913 | 107 | 114 |
XNS40 250/110 | 40 | 65 | 100 | 222 | 225 | 330 |
| 230 | 11 | 22 | 20 | 180 | 260 | 210 | 318 | 254 | 14 | 23 | 350 | 424 | 913 | 107 | 114 |
XNS40 250/150 | 40 | 65 | 100 | 222 | 225 | 330 |
| 230 | 11 | 22 | 20 | 180 | 260 | 210 | 318 | 254 | 14 | 23 | 350 | 424 | 852 | 107 | 133 |

Компания ESPA GROUP ? Bombas Electricas, S.A. является одной из ведущих в мире по производству насосов, в разработке и изготовлении которых используются самые последние достижения науки и техники. Компания была основана в 1962 году, головной офис расположен в г.Баньолис (Испания). Продукция ESPA GROUP широко представлена на международном рынке и экспортируется более чем в 130 стран мира.
Купить Горизонтальные центробежные насосы серии XNS 40-200/75 400/690, Арт.140360 Вы можете отправив товар в корзину
Новый Уренгой, Набережная дом 43 тел + 7 918 030 11 30 . +7964 510 7087 aquapool66@mail.ru
Режим работы с 10 00 до 18 00 сб. вс. выходной
Офис Астана Улица Каныш Сатпаев, 20
тел +7 702 640 8142, +7 701 952 0952
pogosan100@yandex.ru aquapool-astana.kz Проектирование Оборудование для фонтанов https://fontankz.kz
Офис в Москве тел: + 7 918 030 11 30 www.poolaqua.ru
Тех. поддержка
Наш сайт представляет Вам возможность сделать Заказ на расчет сметы для вашего бассейна фонтана и саун!
Скачать Полны каталог продукций
Оборудование для бассейнов | Сборные бассейны Azuro | Оборудование для Саун | Harvia | Astral | Оборудование забора и подачи воды | Сборно-оазборные бассейны Astral | ESPA | Насосы Hayward | Насосы Speck | Оборудование для освещения | Водпады и водяные пушки | Противотоки |Пылесосы | Аэромассаж | Химия hth | Дозирующее оборудование Etatron | Hayward | CTX | helo | Аква-Аэробика | Скиммер | Фильтр | Плёнка для Бассейна ПВХ | Оборудование для саун и бань
Корзина пуста