ЯМАО Новый Уренгой
Тех. поддержка
+77026408142
Набережная дом 43
+ 7 918 030 11 30. +7964 510 7087
aquapool66@mail.ru
aquapoolurfo@mail.ru
What sapp +77026408142
Skyap pogosyan1001
Система туманообразования и увлажнения воздуха
Оборудование для фонтанов✓ и прудов✓
Химия для бассейнов Маркопул ✓
Оборудование для бассейнов Dinotec
Оборудование для бассейнов ASTRAL
Сборно разборные бассейны Summer✓ и Azuro✓
Оборудование для Бассейнов ESPA
Дозирующие Оборудование ETATRON D S ✓
Оборудование озонирование воды и воздуха
Оборудование Бассейнов FIBERPOOL Glong и Pool King
Оборудование Общественных Спортивных Бассейнов ✓
Оборудование для бассейнов Маркопул
Оборудование для физиотерапии и реабилитации Гидротерапия
MAPEI КТТРОН Гидроизоляция и защиты бетонна, затирка и клей
Оборудование для Wellness и SPA центров
Хронометраж для спорта, судейские системы, таймеры, табло, видео-экраны.
Оборудование для саун Harvia Харвия
Осушители воздуха для бассейнов Dantherm
Хлоратор полуавтомат Gemas CLT-167 ON Line 2кг ABS (без соед. муфт 7404050) (069CLT167B)
Электромагнитный насос-дозатор 15л/ч 2 бара Gemas (06MD1502)
Электромагнитный насос-дозатор 10л/ч 4 бара Gemas (06MD1004)
Электромагнитный насос-дозатор 5л/ч 9 бар Gemas (06MD0509)
Электромагнитный насос-дозатор 2л/ч 12 бар Gemas (06MD0212)
Хлоратор полуавтомат Gemas CLT-168 ON Line 4кг ABS (без соед. муфт 7404050) (069CLT168B)
Хлоратор полуавтомат Gemas CLT-168 OFF Line 4кг ABS (069CLT168A)
Насос-дозатор перистальтический 3л/ч 1 бар Gemas (06PD0301)
Насос-дозатор перистальтический 1,5л/ч 1 бар Gemas (06PD0302)
Хлоратор полуавтомат Gemas CLT-167 OFF Line 2кг ABS (069CLT167A)
Шланг гибкий кабельный Gemas L=1м (05051)
Трансформатор 300Вт Gemas IP65 (05074p)
Трансформатор 300Вт Gemas IP65 (05073)
Трансформатор 300Вт Gemas IP20 (05074)
Трансформатор 2х300Вт = 600Вт Gemas IP65 (05063)
Трансформатор 100Вт Gemas IP65 (05067)
Прожектор светодиодный 50Вт Gemas SlimLED-INOX Daylight 252мм 12В оправа н/с (универсал) (052141SS)
Прожектор светодиодный 50Вт Gemas SlimLED Daylight 278мм 12В оправа пластик (универсал) (052141)
Прожектор светодиодный 36Вт Gemas SlimLED-INOX RGB+White 252мм 12В оправа н/с (универсал) (052153SS)
Прожектор светодиодный 36Вт Gemas SlimLED RGB+White 278мм 12В оправа пластик (универсал) (052150)
С помощью наших специалистов из широкого ассортиментного ряда продукции для саун и бань можно выбрать то оборудование, которая подойдет именно для вашей сауны и позволит наслаждаться теплом и комфортом в течение многих лет. Мы поставляем Оборудование для саун и бань от ведущих мировых производителей: Harvia, TYLO, Helo. Освещение для бассейнов и саун, ароматизаторы и аксессуары. Для городских условий: Инфракрасные сауны, Парогенераторы, компактные сауны.
Горизонтальные центробежные насосы со свободным концом вала FNF 32-125/119 Арт. 0000139884
Насос FN - центробежный электронасос с осевым всасывающим и радиальным напорным патрубками
СЕКТОРЫ РЫНКА
ЖИЛИЩНО-КОММУНАЛЬНОE СТРОИТЕЛЬСТВО, СЕЛЬСКОЕ ХОЗЯЙСТВО, ПРОМЫШЛЕННОСТЬ.
ПРИМЕНЕНИЕ
ДИАПАЗОН ГИДРАВЛИЧЕСКИХ ХАРАКТЕРИСТИК FN 2900 об/мин и FN 1450 об/мин

НАСОС
ДВИГАТЕЛЬ
КОНСТРУКЦИЯ
СОЕДИНЕНИЕ ДВИГАТЕЛЯ И НАСОСА
Имеется три различных вида соединения двигателя с муфтой насоса:
ПОКРАСКА
ПРИНАДЛЕЖНОСТИПО ЗАПРОСУ
ДОПОЛНИТЕЛЬНЫЕ ВОЗМОЖНОСТИ
СЕРИЯ FNF СО СВОБОДНЫМ КОНЦОМ ВАЛА ПЕРЕЧЕНЬ МОДЕЛЕЙ И ТАБЛИЦА МАТЕРИАЛОВ
![]() |
|
№ ПОЗ. | ДЕТАЛЬ | МАТЕРИАЛ | ССЫЛКИ НА СТАНДАРТЫ | |
ЕВРОПА | США | |||
1 | Корпус насоса | Чугун | EN 1561-GJL-200 (JL1030) | ASTM Класс 25 |
2 | Посадочное место для | Чугун | EN 1561-GJL-200 (JL1030) | ASTM Класс 25 |
3 | Рабочее колесо | Нержавеющая сталь | EN 10088-1-X2CrNiMo17-12-2 (1.4404) | AISI 316L |
4 | Механизм компенсации | Нержавеющая сталь | EN 10088-1-X2CrNiMo17-12-2 (1.4404) | AISI 316L |
5 | Контрупорное кольцо | Нержавеющая сталь | EN 10088-1-X2CrNiMo17-12-2 (1.4404) | AISI 316L |
6 | Удлиненный вал | Нержавеющая сталь | EN 10088-1-X2CrNiMo17-12-2 (1.4404) | AISI 316L |
8 | Установочная гайка и | Нержавеющая сталь | EN 10088-1-X5CrNiMo17-12-2 (1.4401) | AISI 316 |
9 | Шпонка | Нержавеющая сталь | EN 10088-1-X2CrNiMo17-12-2 (1.4404) | AISI 316L |
10 | Заглушка заливного и | Никелированная медь | EN 12164-CuZn39Pb3 (CW614N) | - |
11 | Уплотнения заливного и | Алюминий | EN 573-AW-Al99,5 (AW1050A) | - |
12 | Торцевое уплотнение | Керамика/Графит/NBR (в стандартных моделях) |
| |
13 | Уплотнительные кольца | NBR (в стандартных моделях) | ||
14 | Адаптер* | Алюминий | EN 1706-AC-AlSi11Cu2 (Fe) (AC46100) | - |
15 | Камера подшипникового узла | Чугун | EN 1561-GJL-200 (JL1030) | ASTM Класс 25 |
16 | Болты и винты для | Гальванизированная сталь | ||
* Для моделей 32/40-125 2/4-х полюсных, 32/40-160 2/4-х полюсных
СЕРИЯ FN – 2FN - FNS - FNF ТАБЛИЦА ГИДРАВЛИЧЕСКИХ ХАРАКТЕРИСТИК, 2-Х ПОЛЮСНЫЕ ДВИГАТЕЛИ, 50 ГЦ
ТИП | P2 | P2 | l/min | 0 | 100 | 150 | 250 | 300 | 400 | 450 | 600 | 700 | 800 | 900 | 1200 | 1400 | 1500 |
m3/h | 0 | 6 | 9 | 15 | 18 | 24 | 27 | 36 | 42 | 48 | 54 | 72 | 84 | 90 | |||
32-125/07* | 0.75 | 1 |
| 16.9 |
| 14.6 | 11 | 8.7 |
|
|
|
|
|
|
|
|
|
32-125/11* | 1.1 | 1.5 |
| 21.9 |
| 19.6 | 16.3 | 14.2 | 9 |
|
|
|
|
|
|
|
|
32-160/15* | 1.5 | 2 |
| 27.3 |
| 24.5 | 20.5 | 17.8 | 11 |
|
|
|
|
|
|
|
|
32-160/22* | 2.2 | 3 |
| 34.7 |
| 32 | 28 | 25.3 | 18.8 | 15 |
|
|
|
|
|
|
|
32-200/30 | 3 | 4 |
| 44.2 |
| 39.8 | 35.2 | 32.2 | 24.6 | 19.8 |
|
|
|
|
|
|
|
32-200/40 | 4 | 5.5 |
| 54.4 |
| 50 | 45 | 41.9 | 34.6 | 30.3 |
|
|
|
|
|
|
|
32-250/55 | 5.5 | 7.5 |
| 79 | 74.7 | 71 | 62 | 56 | 37 |
|
|
|
|
|
|
|
|
32-250/75 | 7.5 | 10 |
| 99 | 95.3 | 92 | 83 | 76 | 58 |
|
|
|
|
|
|
|
|
40-125/11* | 1.1 | 1.5 |
| 14.5 |
|
|
| 13 | 11.3 | 10.1 | 5.8 |
|
|
|
|
|
|
40-125/15* | 1.5 | 2 |
| 18.1 |
|
|
| 16.7 | 15 | 13.9 | 9.6 | 6 |
|
|
|
|
|
40-125/22* | 2.2 | 3 |
| 24.5 |
|
|
| 23 | 21 | 20.1 | 15.8 | 12.3 | 8.2 |
|
|
|
|
40-160/30 | 3 | 4 |
| 31.5 |
|
|
| 29.4 | 27.5 | 26.1 | 21.5 | 17.4 |
|
|
|
|
|
40-160/40 | 4 | 5.5 |
| 38 |
|
|
| 36.2 | 34 | 33 | 28.5 | 24.5 | 20.1 |
|
|
|
|
40-200/55 | 5.5 | 7.5 |
| 46.5 |
|
|
| 44 | 41.5 | 40.2 | 34.5 | 29.5 |
|
|
|
|
|
40-200/75 | 7.5 | 10 |
| 57 |
|
|
| 54 | 52 | 50 | 45.5 | 41 | 36.1 |
|
|
|
|
40-250/** | ** | ** |
| 64 |
|
|
| 59 | 56 | 55 | 49 | 45 | 39.5 |
|
|
|
|
40-250/110 | 11 | 15 |
| 72 |
|
|
| 67.5 | 65 | 63 | 57 | 52 | 47 |
|
|
|
|
40-250/150 | 15 | 20 |
| 85 |
|
|
| 80 | 77 | 75 | 70 | 65 | 60 |
|
|
|
|
50-125/22* | 2.2 | 3 |
| 17 |
|
|
|
|
|
| 15.1 | 14 | 12.8 | 11.4 | 6.2 |
|
|
50-125/30 | 3 | 4 |
| 20 |
|
|
|
|
|
| 18.8 | 18 | 16.9 | 15.6 | 10.5 |
|
|
50-125/40 | 4 | 5.5 |
| 24 |
|
|
|
|
|
| 23.1 | 22.5 | 21.5 | 20.3 | 15.8 | 11.8 |
|
50-160/55 | 5.5 | 7.5 |
| 32 |
|
|
|
|
|
| 30.6 | 29.5 | 28 | 26.6 | 20.5 | 14.8 |
|
50-160/75 | 7.5 | 10 |
| 40 |
|
|
|
|
|
| 38 | 37 | 36 | 34.4 | 29 | 24 | 21 |
50-200/** | ** | ** |
| 50.5 |
|
|
|
|
|
| 46.8 | 45 | 43 | 40.9 | 32.5 | 25.7 |
|
50-200/110 | 11 | 15 |
| 58 |
|
|
|
|
|
| 54 | 53 | 50 | 48.3 | 40 | 33 | 29 |
50-250/150 | 15 | 20 |
| 68 |
|
|
|
|
|
| 64 | 63 | 61 | 59 | 50 | 41 |
|
50-250/185 | 18.5 | 25 |
| 77 |
|
|
|
|
|
| 73 | 72 | 70 | 68 | 60 | 52 | 47 |
50-250/220 | 22 | 30 |
| 86 |
|
|
|
|
|
| 82.5 | 81 | 80 | 78 | 70 | 61 | 57 |
* Также имеются однофазные исполнения (FNM)
** /92 = 9.2 кВт FN **/110 = 11 кВт – 15 кВт FNS
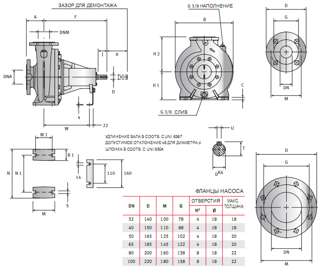
СЕРИЯ FNF СО СВОБОДНЫМ КОНЦОМ ВАЛА РАЗМЕРЫ И ВЕС

ТИП | РАЗМЕРЫ (мм) | В | К | ВЕС | |||||||||||||||||
НАСОС | ПОДСТАВКА | ВАЛ | |||||||||||||||||||
DNM | DNA | A | F | H1 | H2 | B1 | С | M | M1 | N | N1 | S | W | D | I | T | U | ||||
FNF 32-125 | 32 | 50 | 80 | 360 | 112 | 140 | 50 | 12 | 100 | 70 | 190 | 140 | 14 | 260 | 24 | 50 | 27 | 8 | 233 | 86 | 27 |
FNF 32-160 | 32 | 50 | 80 | 360 | 132 | 160 | 50 | 12 | 100 | 70 | 240 | 190 | 14 | 260 | 24 | 50 | 27 | 8 | 235 | 86 | 30 |
FNF 32-200 | 32 | 50 | 80 | 360 | 160 | 180 | 50 | 12 | 100 | 70 | 240 | 190 | 14 | 260 | 24 | 50 | 27 | 8 | 285 | 86 | 34 |

Компания ESPA GROUP ? Bombas Electricas, S.A. является одной из ведущих в мире по производству насосов, в разработке и изготовлении которых используются самые последние достижения науки и техники. Компания была основана в 1962 году, головной офис расположен в г.Баньолис (Испания). Продукция ESPA GROUP широко представлена на международном рынке и экспортируется более чем в 130 стран мира.
Купить Горизонтальные центробежные насосы со свободным концом вала FNF 32-125/119 Арт. 0000139884 Вы можете отправив товар в корзину
Новый Уренгой, Набережная дом 43 тел + 7 918 030 11 30 . +7964 510 7087 aquapool66@mail.ru
Режим работы с 10 00 до 18 00 сб. вс. выходной
Офис Астана Улица Каныш Сатпаев, 20
тел +7 702 640 8142, +7 701 952 0952
pogosan100@yandex.ru aquapool-astana.kz Проектирование Оборудование для фонтанов https://fontankz.kz
Офис в Москве тел: + 7 918 030 11 30 www.poolaqua.ru
Тех. поддержка
Наш сайт представляет Вам возможность сделать Заказ на расчет сметы для вашего бассейна фонтана и саун!
Скачать Полны каталог продукций
Оборудование для бассейнов | Сборные бассейны Azuro | Оборудование для Саун | Harvia | Astral | Оборудование забора и подачи воды | Сборно-оазборные бассейны Astral | ESPA | Насосы Hayward | Насосы Speck | Оборудование для освещения | Водпады и водяные пушки | Противотоки |Пылесосы | Аэромассаж | Химия hth | Дозирующее оборудование Etatron | Hayward | CTX | helo | Аква-Аэробика | Скиммер | Фильтр | Плёнка для Бассейна ПВХ | Оборудование для саун и бань
Корзина пуста