ЯМАО Новый Уренгой
Тех. поддержка
+77026408142
Набережная дом 43
+ 7 918 030 11 30. +7964 510 7087
aquapool66@mail.ru
aquapoolurfo@mail.ru
What sapp +77026408142
Skyap pogosyan1001
Система туманообразования и увлажнения воздуха
Оборудование для фонтанов✓ и прудов✓
Химия для бассейнов Маркопул ✓
Оборудование для бассейнов Dinotec
Оборудование для бассейнов ASTRAL
Сборно разборные бассейны Summer✓ и Azuro✓
Оборудование для Бассейнов ESPA
Дозирующие Оборудование ETATRON D S ✓
Оборудование озонирование воды и воздуха
Оборудование Бассейнов FIBERPOOL Glong и Pool King
Оборудование Общественных Спортивных Бассейнов ✓
Оборудование для бассейнов Маркопул
Оборудование для физиотерапии и реабилитации Гидротерапия
MAPEI КТТРОН Гидроизоляция и защиты бетонна, затирка и клей
Оборудование для Wellness и SPA центров
Хронометраж для спорта, судейские системы, таймеры, табло, видео-экраны.
Оборудование для саун Harvia Харвия
Осушители воздуха для бассейнов Dantherm
Хлоратор полуавтомат Gemas CLT-167 ON Line 2кг ABS (без соед. муфт 7404050) (069CLT167B)
Электромагнитный насос-дозатор 15л/ч 2 бара Gemas (06MD1502)
Электромагнитный насос-дозатор 10л/ч 4 бара Gemas (06MD1004)
Электромагнитный насос-дозатор 5л/ч 9 бар Gemas (06MD0509)
Электромагнитный насос-дозатор 2л/ч 12 бар Gemas (06MD0212)
Хлоратор полуавтомат Gemas CLT-168 ON Line 4кг ABS (без соед. муфт 7404050) (069CLT168B)
Хлоратор полуавтомат Gemas CLT-168 OFF Line 4кг ABS (069CLT168A)
Насос-дозатор перистальтический 3л/ч 1 бар Gemas (06PD0301)
Насос-дозатор перистальтический 1,5л/ч 1 бар Gemas (06PD0302)
Хлоратор полуавтомат Gemas CLT-167 OFF Line 2кг ABS (069CLT167A)
Шланг гибкий кабельный Gemas L=1м (05051)
Трансформатор 300Вт Gemas IP65 (05074p)
Трансформатор 300Вт Gemas IP65 (05073)
Трансформатор 300Вт Gemas IP20 (05074)
Трансформатор 2х300Вт = 600Вт Gemas IP65 (05063)
Трансформатор 100Вт Gemas IP65 (05067)
Прожектор светодиодный 50Вт Gemas SlimLED-INOX Daylight 252мм 12В оправа н/с (универсал) (052141SS)
Прожектор светодиодный 50Вт Gemas SlimLED Daylight 278мм 12В оправа пластик (универсал) (052141)
Прожектор светодиодный 36Вт Gemas SlimLED-INOX RGB+White 252мм 12В оправа н/с (универсал) (052153SS)
Прожектор светодиодный 36Вт Gemas SlimLED RGB+White 278мм 12В оправа пластик (универсал) (052150)
С помощью наших специалистов из широкого ассортиментного ряда продукции для саун и бань можно выбрать то оборудование, которая подойдет именно для вашей сауны и позволит наслаждаться теплом и комфортом в течение многих лет. Мы поставляем Оборудование для саун и бань от ведущих мировых производителей: Harvia, TYLO, Helo. Освещение для бассейнов и саун, ароматизаторы и аксессуары. Для городских условий: Инфракрасные сауны, Парогенераторы, компактные сауны.
Центробежный электронасос со всасывающим и напорным фланцами FLS4 125-200/40 230/400 Арт. 0000143501
Насос FL- центробежный электронасос со всасывающим и напорным фланцами, лежащими на одной линии, конструкция типа "ин-лайн"
СЕКТОРЫ РЫНКА
ЛЕГКАЯ ПРОМЫШЛЕННОСТЬ, ОБСЛУЖИВАНИЕ ПРОМЫШЛЕННЫХ ЗДАНИЙ.
ПРИМЕНЕНИЕ
ДИАПАЗОН ГИДРАВЛИЧЕСКИХ ХАРАКТЕРИСТИК F L- F L D 2900 об/мин. и F L4- F L D4 1450 об/мин.

ХАРАКТЕРИСТИКИ СЕРИИ FL
НАСОС
ЭЛЕКТРОДВИГАТЕЛЬ
КОНСТРУКТИВНЫЕ ОСОБЕННОСТИ
ХАРАКТЕРИСТИКИ СЕРИИ FL
ХАРАКТЕРИСТИКИ СЕРИИ FLS
ХАРАКТЕРИСТИКИ СЕРИИ FL..H
Для экономии электроэнергии и увеличения срока эксплуатации, при работе насосов в системах с переменными нагрузками, рекомендуется применение блоков частотного регулирования микропроцессорами HYDROVAR®. Для работы блоков HYDROVAR® в системе необходимо устанавливать датчики давления 4-20 мА или датчики перепада давления.
ПРИНАДЛЕЖНОСТИ ПО ЗАПРОСУ
ДОПОЛНИТЕЛЬНЫЕ ВОЗМОЖНОСТИ (по запросу)
МОНТАЖ
СЕРИЯ FLS-FLS4 ПЕРЕЧЕНЬ МОДЕЛЕЙ И ТАБЛИЦА МАТЕРИАЛОВ

№ |
ДЕТАЛЬ |
МАТЕРИАЛ |
ССЫЛКИ НА СТАНДАРТЫ |
|
ЕВРОПА |
США |
|||
1 |
Корпус насоса |
Чугун |
EN 1561-GJL-200 (JL1030) |
ASTM Класс 25 |
2 |
Посадочное место для торцевого уплотнения |
Чугун |
EN 1561-GJL-200 (JL1030) |
ASTM Класс 25 |
3 |
Рабочее колесо |
Нержавеющая сталь |
EN 10088-1-X2CrNiMo17-12-2 (1.4404) |
AISI 316L |
4 |
Упорное кольцо |
Нержавеющая сталь |
EN 10088-1-X2CrNiMo17-12-2 (1.4404) |
AISI 316L |
5 |
Ответная часть упорного кольца |
Нержавеющая сталь |
EN 10088-1-X2CrNiMo17-12-2 (1.4404) |
AISI 316L |
7 |
Вал с «глухой» муфтой |
Нержавеющая сталь |
EN 10088-1-X2CrNiMo17-12-2 (1.4404) |
AISI 316L |
8 |
Установочная гайка и шайба для |
Нержавеющая сталь |
EN 10088-1-X5CrNiMo17-12-2 (1.4401) |
AISI 316 |
9 |
Шпонка |
Нержавеющая сталь |
EN 10088-1-X2CrNiMo17-12-2 (1.4404) |
AISI 316L |
10 |
Заглушка заливного и сливного отверстий |
Никелированная медь |
EN 12164-CuZn39Pb3 (CW614N) |
- |
11 |
Сливная пробка |
Алюминий |
EN 573-AW-Al99,5 (AW1050A) |
- |
12 |
Торцевое уплотнение |
Углерод/ Карбид кремния/ EPDM (стандартная верс |
||
13 |
Уплотнительные кольца |
EPDM (стандартная версия) |
||
14 |
Адаптер* |
Алюминий |
EN 1706-AC-AlSi11Cu2 (Fe) (AC46100) |
- |
15 |
Муфта адаптера двигателя |
Чугун |
EN 1561-GJL-200 (JL1030) |
ASTM Класс 25 |
16 |
Болты и винты для крепления корпуса насоса |
Оцинкованная сталь |
||
17 |
Уплотнительное кольцо |
Окрашенная сталь |
||
* Для версий 40/50-125 2/4 полюсных и 40/50-160 2/4 полюсных
4-х ПОЛЮСНЫЕ |
|||
FLS4 40-200/05 |
FLS4 65-200/15 |
FLS4 100-160/15 |
FLS4 125-250/110 |
FLS4 40-200/07 |
FLS4 65-250/22 |
FLS4 100-200/22 |
FLS4 125-315/150 |
FLS4 40-250/11 |
FLS4 65-250/30 |
FLS4 100-200/30 |
FLS4 125-315/185 |
FLS4 40-250/15 |
FLS4 80-125/07 |
FLS4 100-250/40 |
FLS4 125-315/220 |
FLS4 50-200/07 |
FLS4 80-125/11 |
FLS4 100-250/55 |
FLS4 150-200/55 |
FLS4 50-200/11 |
FLS4 80-200/15 |
FLS4 100-250/75 |
FLS4 150-200/75 |
FLS4 50-250/15 |
FLS4 80-200/22 |
FLS4 125-160/30 |
FLS4 150-250/110 |
FLS4 50-250/22 |
FLS4 80-200/30 |
FLS4 125-200/40 |
FLS4 150-250/150 |
FLS4 65-160/07 |
FLS4 80-250/40 |
FLS4 125-200/55 |
FLS4 150-250/185 |
FLS4 65-160/11 |
FLS4 80-250/55 |
FLS4 125-250/75 |
|

№ |
ДЕТАЛЬ |
МАТЕРИАЛ |
ССЫЛКИ НА СТАНДАРТЫ |
|
ЕВРОПА |
США |
|||
1 |
Корпус насоса |
Чугун |
EN1561-GJL-250(JL1040) |
ASTM Класс 35 |
2 |
Рабочее колесо |
Чугун |
EN1561-GJL-250(JL1040) |
ASTM Класс 35 |
4 |
Установочная гайка и шайба для |
Сталь |
|
|
5 |
Шпонка |
Сталь |
EN 10083-1-C45E(1.1191) |
- |
6 |
Заглушка заливного и сливного |
Сталь |
||
7 |
Сливная пробка |
Асбестовое свободносинтетическое волокно AFM34 • |
||
8 |
Торцевое уплотнение |
Углерод/ Карбид кремния/ EPDM (стандартная версия) |
||
9 |
Уплотнительные кольца | EPDM (стандартная версия) | ||
10 |
Адаптер |
Чугун |
EN1561-GJL-250(JL1040) |
ASTM Класс 35 |
| 11 | Муфта адаптера двигателя |
Чугун |
EN1561-GJL-250(JL1040) |
ASTM Класс 25 |
12 |
Болты и винты для крепления корпуса насоса |
Сталь |
|
|
ТАБЛИЦА ГИДРАВЛИЧЕСКИХ ХАРАКТЕРИСТИК, 4-Х ПОЛЮСНЫЕ ДВИГАТЕЛИ, 50 ГЦ СЕРИЯ FL4-FLS4
ТИП |
P2 |
P2 |
0 |
1000 |
1083 |
1167 |
1333 |
1500 |
1667 |
2000 |
2333 |
2667 |
3000 |
3333 200 |
3667 220 |
4167 250 |
4667 280 |
5000 300 |
5333 320 |
5500 330 |
125-160/30 |
3 |
4 |
10.5 |
9.3 |
9.1 |
8.8 |
8.4 |
7.8 |
7.3 |
6.3 |
5.2 |
3.8 |
2 |
|
|
|
|
|
|
|
125-200/40 |
4 |
5.5 |
12.7 |
11.4 |
11.2 |
11 |
10.5 |
9.9 |
9.3 |
7.7 |
5.7 |
3.4 |
|
|
|
|
|
|
|
|
125-200/55 |
5.5 |
7.5 |
15.1 |
14.2 |
13.9 |
13.7 |
13.3 |
12.7 |
12.2 |
10.7 |
9 |
7 |
4.9 |
|
|
|
|
|
|
|
125-250/75 |
7.5 |
10 |
20.5 |
19 |
18.8 |
18.6 |
18 |
17.3 |
16.6 |
14.8 |
12.3 |
9.7 |
6.8 |
|
|
|
|
|
|
|
125-250/110 |
11 |
15 |
26.1 |
24.8 |
24.6 |
24.4 |
24 |
23.4 |
22.8 |
21.1 |
19 |
16.8 |
14 |
10.8 |
7 |
|
|
|
|
|
125-315/150 |
15 |
20 |
27 |
26 |
25.9 |
25.8 |
25.4 |
25 |
24.6 |
23.6 |
22.2 |
20.3 |
18.3 |
16 |
13 |
7.8 |
|
|
|
|
125-315/185 |
18.5 |
25 |
31 |
30 |
29.9 |
29.8 |
29.5 |
29.2 |
28.9 |
28 |
26.8 |
25 |
23 |
20.8 |
18 |
13.5 |
8 |
|
|
|
125-315/220 |
22 |
30 |
35 |
34 |
33.9 |
33.8 |
33.5 |
33.2 |
32.9 |
32 |
31 |
29.5 |
27.8 |
25.5 |
23 |
18.3 |
13 |
8.9 |
|
|
150-200/55 |
5.5 |
7.5 |
11.2 |
10.2 |
10 |
9.8 |
9.6 |
9.3 |
9 |
8.3 |
7.5 |
6.7 |
5.8 |
4.7 |
3.5 |
|
|
|
|
|
150-200/75 |
7.5 |
10 |
15.6 |
13.8 |
13.7 |
13.6 |
13.4 |
13.1 |
12.8 |
12.1 |
11.4 |
10.5 |
9.6 |
8.4 |
7.2 |
4.8 |
|
|
|
|
150-250/110 |
11 |
15 |
17.2 |
|
|
16.8 |
16.7 |
16.5 |
16.3 |
15.8 |
15.2 |
14.3 |
13.4 |
12.3 |
11.2 |
9.3 |
7 |
5.2 |
|
|
150-250/150 |
15 |
20 |
21.1 |
|
|
20.7 |
20.6 |
20.5 |
20.4 |
20 |
19.5 |
18.8 |
18 |
17 |
16 |
14.2 |
12 |
10.3 |
8.5 |
|
150-250/185 |
18.5 |
25 |
24.6 |
|
|
24 |
23.9 |
23.8 |
23.7 |
23.3 |
22.9 |
22.2 |
21.5 |
20.7 |
19.7 |
17.9 |
15.7 |
14.2 |
12.5 |
11.5 |
|
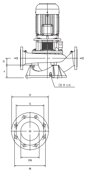
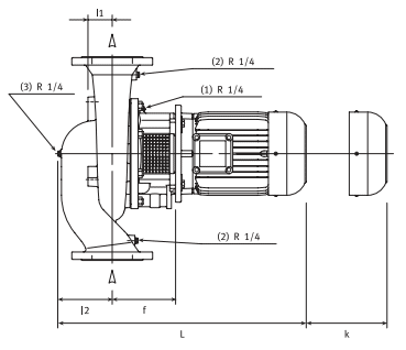
(1)R1/8 ВОЗДУХОСПУСКНОЙ КЛАПАН |
|||||||||||||||||||||||
ТИП НАСОСА |
РАЗМЕРЫ (мм) |
В |
H |
L |
к |
ВЕС |
|||||||||
DNA |
DNM |
a |
e |
f |
h1 |
h2 |
x |
b1 |
p |
||||||
FLS4 40-200/05 |
40 |
40 |
95 |
65 |
155 |
220 |
220 |
117 |
163 |
137 |
325 |
440 |
506 |
98 |
56 |
FLS4 40-200/07 |
40 |
40 |
95 |
65 |
155 |
220 |
220 |
137 |
163 |
158 |
325 |
440 |
537 |
98 |
59 |
FLS4 40-250/11 |
40 |
40 |
95 |
65 |
155 |
220 |
220 |
137 |
163 |
158 |
325 |
440 |
518 |
98 |
61 |
FLS4 40-250/15 |
40 |
40 |
95 |
65 |
155 |
220 |
220 |
181 |
163 |
177 |
325 |
440 |
528 |
98 |
63 |
FLS4 50-200/07 |
50 |
50 |
110 |
73 |
169 |
220 |
220 |
137 |
163 |
158 |
326 |
440 |
566 |
100 |
62 |
FLS4 50-200/11 |
50 |
50 |
110 |
73 |
169 |
220 |
220 |
137 |
163 |
158 |
326 |
440 |
547 |
100 |
66 |
FLS4 50-250/15 |
50 |
50 |
110 |
73 |
169 |
220 |
220 |
181 |
163 |
177 |
326 |
440 |
557 |
100 |
61 |
FLS4 50-250/22 |
50 |
50 |
110 |
73 |
179 |
220 |
220 |
181 |
163 |
177 |
326 |
440 |
648 |
100 |
69 |
ТИП НАСОСА |
РАЗМЕРЫ (мм) |
В |
H |
L |
K |
ВЕС |
|||||||||
DNA |
DNM |
b1 |
d |
f | h1 | h2 |
h3 |
i1 |
i2 |
||||||
FLS4 125-160/30 |
125 |
125 |
234 |
274 |
196 |
315 |
68 |
137 |
85 |
161 |
418 |
630 |
651 |
143 |
123 |
FLS4 125-200/40 |
125 |
125 |
202 |
274 |
196 |
290 |
68 |
137 |
80 |
164 |
378 |
620 |
687 |
153 |
113 |
FLS4 125-200/55 |
125 |
125 |
202 |
274 |
196 |
290 |
68 |
137 |
80 |
164 |
378 |
620 |
778 |
153 |
135 |
FLS4 125-250/75 |
125 |
125 |
220 |
320 |
196 |
300 |
80 |
160 |
75 |
168 |
422 |
630 |
791 |
150 |
154 |
FLS4 125-250/110 |
125 |
125 |
220 |
320 |
226 |
300 |
80 |
160 |
75 |
168 |
422 |
630 |
1035 |
150 |
180 |
FLS4 125-315/150 |
125 |
125 |
262 |
320 |
226 |
350 |
80 |
160 |
130 |
229 |
503 |
775 |
1035 |
160 |
258 |
FLS4 125-315/185 |
125 |
125 |
262 |
320 |
226 |
350 |
80 |
160 |
130 |
229 |
503 |
775 |
991 |
160 |
270 |
FLS4 125-315/220 |
125 |
125 |
262 |
320 |
226 |
350 |
80 |
160 |
130 |
229 |
503 |
775 |
1126 |
160 |
292 |
FLS4 150-200/55 |
150 |
150 |
260 |
320 |
211 |
340 |
80 |
160 |
90 |
178 |
468 |
720 |
807 |
160 |
107 |
FLS4 150-200/75 |
150 |
150 |
260 |
320 |
211 |
340 |
80 |
160 |
90 |
178 |
468 |
720 |
816 |
160 |
164 |
FLS4 150-250/110 |
150 |
150 |
276 |
320 |
226 |
365 |
80 |
160 |
85 |
188 |
504 |
755 |
1055 |
158 |
204 |
FLS4 150-250/150 |
150 |
150 |
276 |
320 |
226 |
365 |
80 |
160 |
85 |
188 |
504 |
755 |
994 |
158 |
218 |
FLS4 150-250/185 |
150 |
150 |
276 |
320 |
226 |
365 |
80 |
160 |
85 |
188 |
504 |
755 |
950 |
158 |
230 |
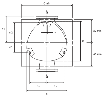
ТИП НАСОСА |
РАЗМЕРЫ (мм) |
|||||||||
А1 |
А2 |
C |
M |
m1 |
m2 |
n |
n1 |
S |
X |
|
FLS4 125-160/30 |
230 |
250 |
480 |
388 |
96 |
192 |
389 |
166 |
М16 |
120 |
FLS4 125-200/40 |
230 |
250 |
480 |
388 |
96 |
192 |
389 |
166 |
М16 |
120 |
FLS4 125-200/55 |
230 |
250 |
480 |
388 |
96 |
192 |
389 |
166 |
М16 |
120 |
FLS4 125-250/75 |
270 |
300 |
580 |
453 |
112 |
225 |
457 |
195 |
М16 |
140 |
FLS4 125-250/110 |
270 |
300 |
580 |
453 |
112 |
225 |
457 |
195 |
М16 |
140 |
FLS4 125-315/150 |
270 |
300 |
580 |
453 |
112 |
225 |
457 |
195 |
М16 |
140 |
FLS4 125-315/185 |
270 |
300 |
580 |
453 |
112 |
225 |
457 |
195 |
М16 |
140 |
FLS4 125-315/220 |
270 |
300 |
580 |
453 |
112 |
225 |
457 |
195 |
М16 |
140 |
FLS4 150-200/55 |
270 |
300 |
580 |
453 |
112 |
225 |
457 |
195 |
М16 |
140 |
FLS4 150-200/75 |
270 |
300 |
580 |
453 |
112 |
225 |
457 |
195 |
М16 |
140 |
FLS4 150-250/110 |
270 |
300 |
580 |
453 |
112 |
225 |
457 |
195 |
М16 |
140 |
FLS4 150-250/150 |
270 |
300 |
580 |
453 |
112 |
225 |
457 |
195 |
М16 |
140 |
FLS4 150-250/185 |
270 |
300 |
580 |
453 |
112 |
225 |
457 |
195 |
М16 |
140 |

Компания ESPA GROUP ? Bombas Electricas, S.A. является одной из ведущих в мире по производству насосов, в разработке и изготовлении которых используются самые последние достижения науки и техники. Компания была основана в 1962 году, головной офис расположен в г.Баньолис (Испания). Продукция ESPA GROUP широко представлена на международном рынке и экспортируется более чем в 130 стран мира.
Купить Центробежный электронасос со всасывающим и напорным фланцами FLS4 125-200/40 230/400 Арт. 0000143501 Вы можете отправив товар в корзину
Новый Уренгой, Набережная дом 43 тел + 7 918 030 11 30 . +7964 510 7087 aquapool66@mail.ru
Режим работы с 10 00 до 18 00 сб. вс. выходной
Офис Астана Улица Каныш Сатпаев, 20
тел +7 702 640 8142, +7 701 952 0952
pogosan100@yandex.ru aquapool-astana.kz Проектирование Оборудование для фонтанов https://fontankz.kz
Офис в Москве тел: + 7 918 030 11 30 www.poolaqua.ru
Тех. поддержка
Наш сайт представляет Вам возможность сделать Заказ на расчет сметы для вашего бассейна фонтана и саун!
Скачать Полны каталог продукций
Оборудование для бассейнов | Сборные бассейны Azuro | Оборудование для Саун | Harvia | Astral | Оборудование забора и подачи воды | Сборно-оазборные бассейны Astral | ESPA | Насосы Hayward | Насосы Speck | Оборудование для освещения | Водпады и водяные пушки | Противотоки |Пылесосы | Аэромассаж | Химия hth | Дозирующее оборудование Etatron | Hayward | CTX | helo | Аква-Аэробика | Скиммер | Фильтр | Плёнка для Бассейна ПВХ | Оборудование для саун и бань
Корзина пуста